Product Summary
The 2sb772 is PNP silicon transistor. It is suited for the output stage of 3W audio amplifier, voltage regulator, DC-DC converter and relay driver.
Parametrics
2sb772 absolute maximum ratings: (1)Storage Temperature:-55℃ to +150℃; (2)Junction Temperature:150℃ Maximum ; (3)Maximum Power Dissipation:Total Power Dissipation (TA = 25℃):1.0 W ,Total Power Dissipation (TC = 25℃):10W ; (4)Collector to Base Voltage:-40V ; (5)Collector to Emitter Voltage:-30V ; (6)Emitter to Base Voltage:-5.0V ; (7)Collector Current (DC):-3.0A ; (8)Collector Current (pulse):-7.0A.
Features
2sb772 features: (1)Low saturation voltage VCE(sat) ≤ -0.5 V (IC = -2.0 A, IB = -0.2 A) ; (2)Excellent hFE linearity and high hFE hFE2 = 60 to 400 (VCE = -2.0 V, IC = -1.0 A) ; (3)Less cramping space required due to small and thin package (TO-126 (MP-5)) and reducing the trouble for attachment to a radiator. No insulator bushing required.
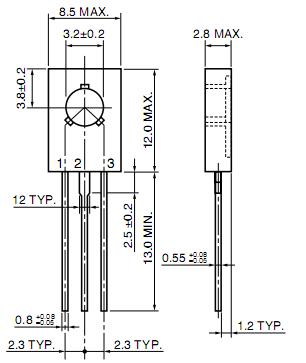
Diagrams

| Image | Part No | Mfg | Description | ![]() |
Pricing (USD) |
Quantity | ||||||||||||
|---|---|---|---|---|---|---|---|---|---|---|---|---|---|---|---|---|---|---|
![]() |
![]() 2SB772 |
![]() STMicroelectronics |
![]() Transistors Bipolar (BJT) PNP Medium Power -30VCEO -5VBEO |
![]() Data Sheet |
![]()
|
|
||||||||||||
![]() |
![]() 2SB772D |
![]() Other |
![]() |
![]() Data Sheet |
![]() Negotiable |
|
||||||||||||
![]() |
![]() 2SB772S |
![]() Other |
![]() |
![]() Data Sheet |
![]() Negotiable |
|
||||||||||||
![]() |
![]() 2SB772T |
![]() Other |
![]() |
![]() Data Sheet |
![]() Negotiable |
|
||||||||||||
(China (Mainland))









