Product Summary
The 2sd882 is a NPN silicon transistor suited or the output stage of 3 Watts audio amplifier, voltage regulator, DC-DC converter and relay driver.
Parametrics
2sd882 absolute maximum ratings: (1)storage temperature: -55 to +150 ℃; (2)junction temperature: 150 ℃ max; (3)maximum power dissipations: total power dissipation (Ta=25℃): 1.0 W, total power dissipation (Tc=25℃): 10 W; (4)maximum voltage and currents (Ta=25℃): VCBO: 40 V, VCEO: 30 V, VEBO=5.0 V.
Features
2sd882 features: (1)low saturation voltage. VCE(sat)≦0.5 V (@IC=2 A, IB=0.2 A); (2)excellent hFE linearity and high hFE. hFE: 60 to 400 (@VCE=2 V, IC=1 A); (3)less cramping space required due to small and thin package and reducing the trouble for attachment to a radiator.
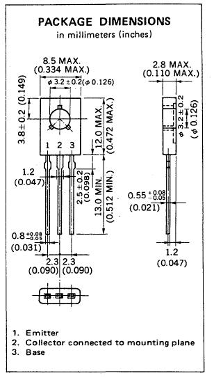
Diagrams

| Image | Part No | Mfg | Description | ![]() |
Pricing (USD) |
Quantity | ||||||||||||
|---|---|---|---|---|---|---|---|---|---|---|---|---|---|---|---|---|---|---|
![]() |
![]() 2SD882 |
![]() STMicroelectronics |
![]() Transistors Bipolar (BJT) NPN Medium Power +30VCEO +5VBEO |
![]() Data Sheet |
![]()
|
|
||||||||||||
![]() |
![]() 2SD882D |
![]() Other |
![]() |
![]() Data Sheet |
![]() Negotiable |
|
||||||||||||
![]() |
![]() 2SD882S |
![]() Other |
![]() |
![]() Data Sheet |
![]() Negotiable |
|
||||||||||||
(China (Mainland))







